产品详情
LSQ-HDB 模块阀系列是为满足现代移动设备的实际需要而开发的最新产品,通过“松乔”在液压连接领域多年的经验而总结出的应对复杂问题的解决方案。根据市场的反应和主要OEM客户的合作设计此款产品。模块阀有释放残压系统,允许在带残压情况下对接和拆断,公母接头都允许带残压。配备符合ISO16028互换性的平面式快速接头,模块阀拥有模块化结构和可变性设计,可提供尺寸为:1/2(04),3/4(08)。
主要应用
滑动装载机 Skid Steer
挖掘机 Excavator
移动工程机械设备 Mobile construction equipment

使用方法
对接前清理对接平面,以免污物带入液压回路。
泄压:拉动拉杆,释放快速接头压力;
警示
以下情形不能泄压:
—当辅具不是静止位置
—在辅具处在工作状态下(泄压会导致辅具危险地意外移动)
母接头不要单独使用在高频率脉冲压力下
不要在回路中有液压油流动和/或动态压力的情形下对接—拆断;只允许在有残余压力下进行对接—拆断
不要在回路中液压油温度高于80°C( 176℉)的情形下对接—拆断
快速接头不对接时,建议使用防尘帽
液压系统中应限制污染物进入以免破坏内部阀的功能。
技术规范:
| 规格 ( 英寸 ) | 1/2(04) | 3/4(08) |
| 额定压力 (PSI) | 4350 | 4350 |
| 额定流量 (GPM) | 12 | 28 |
| 温度范围 ( 标准密封圈 ) | -20 ℃ 至 +120 ℃ | |
| 标准密封圈材料 | 丁腈橡胶 NBR | |
对接—拆断的最大残存压力为:3625(PSI).
优点
操作简便的泄压系统,可以在带有残存压力的情形下轻松对接或拆断。
在对接或拆断之前,先要泄掉残压。对接或拆断时已经没有压力,安全,不费力,以减少受伤的风险。
平面容易清洁,帮助减少杂物进入液压回路的污染。
对接或拆断时液压油损失极少,减少对环境污染。
对接或拆断时带入空气极少,增强液压系统功能。
拥有专利的内部阀门设计,压降小,保持回路效率。
良好的脉冲耐受压。
紧凑精巧灵活(允许使用不同规格的快速接头)使用安全简单
技术性能与选项
快速接头的互换性:配备ISO16028快速接头,
提供不同尺寸及规格
快速接头类型:平面密封
锁紧机构:钢珠锁紧
对接系统:推入式连接
拆断系统:拉下母接头外套
带压对接:用拉杆泄压之后对接
带压拆断:用拉杆泄压之后拆断
密封材料:标准NBR(丁氰橡胶)
防挤出挡圈:PTEF(聚四氟乙烯)

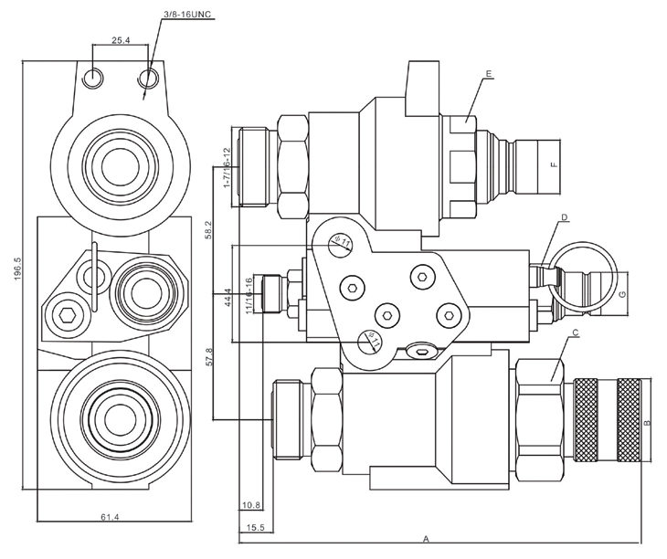
| ISO | PARTNO. | A | B | C | D | E | F | G |
| 12.5 | LSQ-HDB-04 | 184 | S44.45 HEX | S50.8 HEX | S25.4 HEX | Φ 38 | Φ 24.54 | Φ 19.75 |
| 19 | LSQ-HDB-06 | 188 | S44.45 HEX | S50.8 HEX | S25.4 HEX | Φ 38 | Φ 29.95 | Φ 19.75 |
Copyright © 2018 纬来平台官网 版权所有 技术支持:乐搜网络